2X型雙級旋片式真空泵說明書
2X型雙級旋片式真空泵
2X型雙級旋片式真空泵|2X旋片真空泵|旋片式真空泵廠家
一、2X型雙級旋片式真空泵概述:
2X系列真空泵為雙級結構,它的工作性能由高壓級與低壓級二部分組成,它的吸入口與真空容器或真空設備連接,在運轉時容器內的氣體將大量吸入與排出。當設備獲得真空時,高壓級排氣閥片將封閉,高壓級吸入的氣體將轉送到第二級,并經第二級吸入與排出,這樣真空設備可獲得一定的真空。該泵的技術參數6×10-2pa。根據用戶使用情況,可配備真空增壓泵,將該泵做為前級泵,由于增壓泵的抽氣力加強,前級泵連續抽除,能使你的設備獲得更高的真空。
2X型旋片真空泵系雙級油封機械真空泵,該泵是用于對密封容器抽除氣體獲得真空的基本設備。其工作原理與一般容積式泵相同,它是由一個與傳動軸同芯安裝而在泵體內處于偏心位置的轉子組成,轉子上有二個徑向滑動葉片。當轉子旋轉的時候,這二個葉片一方面受離心力的作用,另一方面受著彈簧力的作用,使它能緊密地保持與泵體內壁相接觸。將泵體分隔成二個工作室,葉片一邊容積不斷擴大,氣體不斷膨脹吸入氣體,而另一邊容積不斷縮小,氣體不斷壓縮排出氣體,從而達到抽氣的目的,這種操作每轉重復二次。

二、2X型雙級旋片式真空泵適用范圍
2X型雙級旋片式真空泵適用于電子、制冷、電光源、化工、醫療、瓶膽、包裝、脫水、干燥等行業。
1、2X型真空泵是抽除氣體的基本設備之一。它可單獨使用,也可與增壓泵,擴散泵,分子泵等超高真空泵連接在一起作為前級泵使用,廣泛用于電子器件制造、真空干燥、過濾、浸漬、涂膜、焊接、冶煉、化工、輕工、石油、醫療、制藥、印染、電真空、半導體、食品、原子能、紡織等科研機關、大專院校、工礦企業。
2、泵在環境溫度5℃~40℃范圍內,進氣口壓強小于1.3×10(3)帕的條件下,允許長期運轉。被抽氣體相對溫度大于90%時,應開氣鎮閥。
3、泵進氣口連續敞通大氣運轉不得超過3分鐘
4、泵不適用于抽除對金屬有腐蝕的,對泵油起化學反應的,含有顆粒塵埃的氣體,以及含氧過高的有爆炸性的、有毒的氣體。
三、2X型雙級旋片式真空泵特點:
1、抽速快,體積小,重量輕,噪聲低,維修方便,極限真空度高等優點。按國際限真空均為6×10-2Pa(即5×10-4Torr,注:Torr=133.32Pa)。
2、有可靠的防塵裝置。其他旋片泵,當雜物通過防塵裝置后,即可接進入泵腔內。而我司生產的真空泵當雜物通過防塵裝置,只能流落在防塵裝置的外部周圍。這樣就確保了泵的正常運轉,徹底解決了雜物進入泵腔內咬死的現象。
3、設有一個放氣閥帶進油孔的復合螺釘,我國多年生產的雙級旋片泵,進油孔均設計在油箱內部的低級排氣閥座上。當油孔堵塞時,需放掉油,拆下油箱,才能疏通油孔。而我司生產的真空泵只要旋出復合螺釘,即可疏通油孔,亦可排出雜物及水蒸氣。即快又省力,大大提高了泵的工作效率。
四、2X型雙級旋片式真空泵技術參數表
型號:2X-1、2X-2、2X-4、2X-8、2X-15、2X-30、2X-70

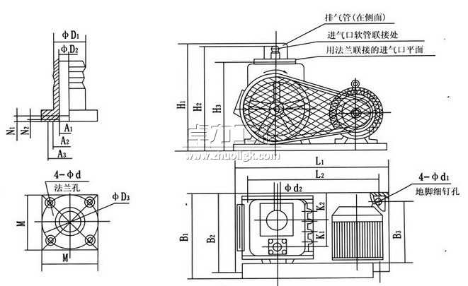
五、2X型雙級旋片式真空泵安裝尺寸圖

| 代號型號 | φD1 | φD2 | φD3 | Al | A2 | A3 | N1 | N2 | M | φd | H1 | H2 | H3 | L1 | L2 | L3 | B1 | B2 | B3 | K1 | K2 | φdl | φd2 |
| 2X-1 | 27 | 20 | 50 | 23 | 30 | 34 | 3 | 3 | 48 | 5.5 | 270 | 265 | 230 | 435 | 352 | 135 | 250 | 215 | 157 | 60 |
|
11 | 20 |
| 2X-2 | 30 | 25 |
|
|
|
45 | 3 | 3 | 55 | 6 | 270 | 260 |
|
400 | 380 |
|
260 | 260 | 200 |
|
|
10 | 25 |
| 2X-4 | 32 | 28 | 55 | 31 | 35 | 45 | 4 | 3 | 55 | 6.5 | 340 | 327 | 267 | 520 | 480 | 119 | 300 | 260 | 200 | 82 | 105 | 11 | 25 |
| 2X-8 | 41 | 34 | 64 | 38 | 42.5 | 52.5 | 4 | 3 | 64 | 7 | 360 | 380 | 302 | 560 | 520 | 130 | 328 | 280 | 210 | 88 | 112 | 11 | 32 |
| 2X-15 | 56.5 | 36 | 105 | 54 | 70 | 80 | 5 | 3 | 100 | 11 | 540 | 511 | 340 | 772 | 736 | 170 | 542 | 492 | 364 | 120 | 80 | 14 |
|
| 2X-30 | 85 | 65 | 105 | 75 | 85 | 93 | 5 | 3 | 100 | 9 | 560 | 550 | 463 | 780 | 730 | 185 | 500 | 390 | 340 | 140 | 136 | 16 |
|
| 2X-70 |
|
80 | 125 | 96 | 105 | 113 | 6 | 3 | 130 | 9 | 692 | 680 | 556 | 908 | 848 | 210 | 650 | 530 | 470 | 176 | 144 | 20 |
G3 |
卓力工礦是國內知名2X型雙級旋片式真空泵生產廠家,有豐富的經驗為客戶提供高品質的2X型雙級旋片式真空泵及完善的售后服務,如果您想了解最新2X型雙級旋片式真空泵價格或者更詳細信息,歡迎撥打服務熱線:
13280082001 18605374511.或者聯系在線客服:
點擊這里、立刻咨詢;我們攜程為您服務!
常見問題:2X型雙級旋片式真空泵發貨時間? 2X型雙級旋片式真空泵售后保障? 2X型雙級旋片式真空泵訂貨需要提供什么信息?
產品標簽:2X型雙級旋片式真空泵|
2X旋片真空泵|旋片式真空泵廠家
|

鐵路設備
運轉設備
鉆采設備
噴漿支護
提升設備
防爆電器
礦用電氣
通防設備
救援設備
化工設備
路面建筑
園林機械
節能環保設備
水利機械
泵類
電機





















